creo4.0中创建基准目标很常用,该怎么创建呢?下面我们就来看看详细的教程。 1、打开creo4.0软件,打开一个工程图文件。 2、切换到“注释”功能选项。 3、单...
creo4.0中创建基准目标很常用,该怎么创建呢?下面我们就来看看详细的教程。 1、打开creo4.0软件,打开一个工程图文件。 2、切换到“注释”功能选项。 3、单...
Proe/Creo建模的时候,建造合适的平面作为参考,对完成建模非常重要。Proe/Creo的【基准平面】工具里,有穿过、偏移、平行、法向四种方式,但没有旋转,该怎...
creo4.0中创建基准目标很常用,该怎么创建呢?下面我们就来看看详细的教程。 1、打开creo4.0软件,打开一个工程图文件。 2、切换到“注释”功能选项。 3、单...
Proe/Creo建模的时候,建造合适的平面作为参考,对完成建模非常重要。Proe/Creo的【基准平面】工具里,有穿过、偏移、平行、法向四种方式,但没有旋转,该怎...
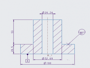
PROE中想要创建产品的剖面图,该怎么制作呢?下面我们就来看看详细的教程。 1、首先用PROE打开需要创建刨截面的3D图。以图示为例,黄色线路在模型内部,如果...
ae中想要制作一个投影效果,该怎么制作投影效果呢?下面我们就来看看详细的教程。 1、首先我们打开ae,并导入一个黑板晃动的动画素材。 2、选中黑板图层,将...
SolidWorks建模零件很简单,想要建模一个托架模型,该怎么建模呢?下面我们就来看看详细的教程。 1、打开SolidWorks,新建一个零件文件。 2、在前视基准面...
ACCRINTM(issue, settlement, rate, par, [basis]) 用于计算返回到期一次性付息有价证券的应计利息 ACCRINTM 函数语法参数 编辑 Issue ...