多少相供电够用 主板供电相数与超频关系有多大

在高端主板市场,超频一直是经典的话题,随着主板BIOS的完善,CPU超频变得越来越简单,用户可以根据自己的需求,抑或是极限超频玩家为追求更高的频率,将CPU的性能一步步挖掘出来,于是超频这个重点又开始向另一边倾斜--主板。

主板的设计和用料直接影响CPU的超频性能,不过在面对超频性能和主板成本,成本优先使得大部分用户不会用到顶级的主板来配合CPU超频,实际的超频重任更多的落在千元级左右的市场。
单就主板而言,影响CPU超频性能的因素非常多,如供电规格和设计、芯片组、MosFET散热、BIOS设计等,另外CPU散热器也会对超频起到至关重要的作用。而本文就从这些比较直观的现象来探讨主板成本(供电相数)对CPU超频性能的影响,帮助大家选择合适的主板来超频。
并联电流翻倍 主板供电原理解析
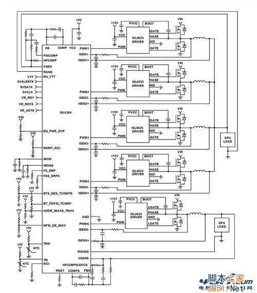
主板CPU供电部分一般是由多相并联控制电路组成,每一相供电是由输入、输出、控制三部分组成。输入部分元器件包括一个电感线圈、一个电容;输出部分有一个电感线圈、一个电容;控制部分则由一个PWM控制芯片、两个场效应管组成。

典型的4+1相主板供电回路
在CPU正常运行时,由ATX电源提供的+12V电源先通过由一个电感线圈和电容组成的L1振荡电路进行滤波处理,然后经过PMW控制芯片与两个晶体管导通后达到需要的输出电压。

单相供电回路
这个时候得到的输出电压由于纹滤较高需要滤波,于是经过L2和C2组成的滤波电路后,就可以达到CPU所需要的Vcore,这个电压也就是CPU真实的电压,可以通过CPU检测工具(CPU-Z、AIDA64)或者在主板BIOS里面查看到。
多相供电就是将多个单相电路并联而成的,提供更大的电流以满足CPU的供电需求。而发展到现在由于CPU的高度整合,需要数组不同的电流以满足计算核心、控制器、显示核心等的需求,这个时候就需要使用多路PWM控制器或者多颗PWM控制器。
主板厂商狂堆供电相数为哪般?
一般来说主板的供电和散热与成本是直接挂钩的,当然不同的主板会有不同的设计风格,但都大同小异。而供电相数成为一个非常直观的供电规格体现方式,但这并不能绝对代表CPU超频等多方面性能差异。

Ivy Bridge最大TDP只有77W
而随着工艺的进步,处理器的每瓦性能比得到了极大的提升,整体来看处理器的功耗也得到了下降,最新的Ivy Bridge处理器TDP只有77W,而移动版本会更低,一些产品甚至只有17W。

早期的三相供电主板已经不见了踪影
而在主板市场,超频系列主板的供电相数并没有随着处理器工艺改进而降低规格,早期的主板两、三相供电设计现在也几乎不存在了,尽管供电元件电气性能、可靠性都得到了极大的提升。
而本文枚举多款市售LGA 1155主板,产品覆盖高中低端产品线,最低的CPU核心供电只有3相,而最高的达到了24相,直观的反应出供电相数对于CPU超频性能影响。
12+2+1相供电:技嘉G1.Snipper 3
技嘉G1.Snipper 3主板专为极限发烧游戏而打造的,超频性能也非常出色,主板基于IR3567 PWM芯片,支持2组供电调节,最高支持6+2相供电设计。


G1.Snipper 3主板则提供了高达15相供电设计,其中CPU为12相为一路,另外三相为一路,上面我们已经介绍了IR3567 PWM仅支持6+2相供电设计,那主板是怎么支持这15相供电的呢?

原来在PWM芯片和MOSFET部分主板还为配备了7颗IR3598驱动IC(正面4颗,背面3颗),可以管理14相供电,另外1相单独并联,那么其中的6颗驱动IC管理的12相供电就为CPU核心服务,1颗驱动IC管理的2相为显示核心供电,最后单独的1相为IO供电。

主板稳定在4.7GHz
用料方面,主板全部采用了铁素体电感、一上一下SOP-8 MOSFET和日本化工固态电容。
3+2相供电:技嘉GA-Z77M-D3H
技嘉GA-Z77M-D3H是一款中规中矩的Z77芯片组主板,产品基于Intersil ISL98953 PWM芯片提供2组供电调节,最高支持3+2相供电设计。

Intersil ISL98953 PWM芯片最大支持1.52V电压输出,最大电流为90A,支持VR12供电规范。
上一页12 3 4 下一页



