极具代表性的主板电池,cmos及南桥周边电原理图(附说明)
![]()
![]()
![]()
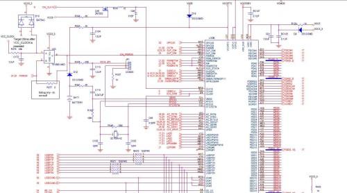
该图中,注意看G1脚VCCRTC,该脚为南桥芯片的供电端。该脚由两路供电:关机状态,由BT1--D19--R252向VCCRTC供电,开机状态,由于3VSB比BAT的电压高,所以D19截止,由3VSB-D18向VCCRTC供电。
再看X3,这是一个32768Hz晶振,给南桥中的时钟和RAM提供时基信号。无论开机还是关机它都是工作的。旁边有两个小电容C334和C335,容量为18PF,为晶振的负载电容。同时可以使用不同容量的负载电容微调晶振震荡的频率。有些主板即使是换了新电池也会发觉系统时间不准,总是快或者总慢,就是由于晶振频率偏差造成,可以调节这两个电容的容量来解决。
编辑注:本文为网络收集,作者未知,我们是在pdf文档基础上整理截图发布的,如作者看到或者有知情者,请发布评论注明姓名,我们将予以添加。谢谢你的文章和支持。PS:图一和图二拼合才能成为完整的电路图



